Die Tage werden länger. Die Leuchten bereiten sich auf ihren Sommerschlaf vor. Und bei einigen Glücklichen mag die Urlaubsvorbereitung beginnen. Falls dabei die Frage aufkommt: „Wie schaffe ich es auf einer Outdoorreise mein Apple-Spielzeug durchgehend online zu halten?“…
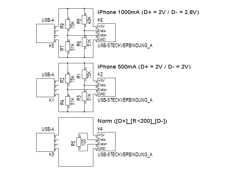
Für die Produkte einiger Hersteller reicht es nicht, dass aus einer USB-Buchse Spannung kommt. Um einen möglicherweise dahinter steckenden Computer nicht zu überlasten, wird kein Strom „gesaugt“. Es muss gegebenenfalls also auch über die Datenleitungen mitgeteilt werden, dass überhaupt und wie viel Strom bezogen werden darf.
Seit einiger Zeit habe ich ein Experiment herumliegen, was vielleicht hilfreich sein kann.
Die im letzten Jahr vorgestellte Bastellösung kann für den Betrieb von beispielsweise iPhones abgewandelt werden. Sich an die Norm für externe USB-Ladegeräte zu halten, wäre dabei durch einfaches kurzschließen der Datenleitungen möglich. Insbesondere ältere iProdukte wollen jedoch eine bestimmte Spannung an den Datenleitungen sehen. Dabei kann über zwei simple Spannungsteiler entweder ein 0,5A-Lademodus oder eine 1A-Schnelladung zugelassen werden. Man braucht also maximal vier Widerstände, um auch die anspruchsvolleren Lieblinge zufrieden zu stellen.
PS: Nachahmer handeln auf eigene Gefahr. Es ist übrigens gar nicht so einfach, betroffene Geräte für Testzwecke leihweise ihren Eigentümern zu entreißen.

- USB-Ladeadapter-Schaltplan.PNG (3.95 KiB) 26194 mal betrachtet