Y-Verbinder
- vucko
- beleuchtet

- Beiträge: 35
- Registriert: 15.09.2009, 20:33
- (Lampen-)Ausstattung: Telsa X, Piko
- Wohnort: Kiruna
- Kontaktdaten:
Y-Verbinder
hallo forumsmitglieder!
weiß jemand bescheid, ob es den y-verbinder wieder gibt?
weiß jemand bescheid, ob es den y-verbinder wieder gibt?
Liebe Grüße, Gerhard
Re: Y-Verbinder
Glaube nicht. Soweit ich weiß macht er bei LED-Lampen Probleme, da die jeweiligen Lampensteuerungen sich dann gegenseitig beeinflussen.
Ist also nur bei älteren Lupines zu empfehlen.
Ich denke aber, daß man für diesen Zweck sicher auf telefonische Anfrage einen bekommen könnte.
Gruß Jörg
Ist also nur bei älteren Lupines zu empfehlen.
Ich denke aber, daß man für diesen Zweck sicher auf telefonische Anfrage einen bekommen könnte.
Gruß Jörg
Re: Y-Verbinder
Hey - war vor sehr langer Zeit im Gespräch - da anrufen unter umständen ungünstig sein könnte (aus Kiruna) - einfach mal ein E-Mail an Lupine senden ...
- hoppepit
- erleuchtet

- Beiträge: 862
- Registriert: 01.12.2005, 12:41
- (Lampen-)Ausstattung: Edison
Wilma CL 15W XP-G/XM-L
Wilma SE 28W Nr. 1/35 XM-L2 U4
Piko TL mini 8W
Rotlicht 2W (intl.)
ehemalige Laternen:
Piko U3 13W
Tesla TL 700
Nightmare 25W - Wohnort: Heimbach-Weis (NR)
Re: Y-Verbinder
Kannste knicken, der wurde aus dem Programm genommen, weil es dann Probleme mit den Akkus gibt!vucko hat geschrieben:ich möchte zwischen 2 akkus schalten, nicht zwischen 2 lampen
Schau mal hier:
http://www.lupine.de/phpBB3/viewtopic.p ... nder#p3121
Gruß, Peter
Threema: KPH5UBWT
Threema: KPH5UBWT
- vucko
- beleuchtet

- Beiträge: 35
- Registriert: 15.09.2009, 20:33
- (Lampen-)Ausstattung: Telsa X, Piko
- Wohnort: Kiruna
- Kontaktdaten:
Re: Y-Verbinder
Re: Umschalter fuer Akkus
von Wolf » 13.01.2011, 21:44
ab Februar gibt es wieder einen Y Verbinder, der arbeitet mit allen Lampen mit integriertem Schalter, der wäre doch was für diese Aufgabe. Grüsse Wolf
es sollte ihn ja ab februar 2011 geben???
von Wolf » 13.01.2011, 21:44
ab Februar gibt es wieder einen Y Verbinder, der arbeitet mit allen Lampen mit integriertem Schalter, der wäre doch was für diese Aufgabe. Grüsse Wolf
es sollte ihn ja ab februar 2011 geben???
Liebe Grüße, Gerhard
Re: Y-Verbinder
Hallo Gerhard,
nachdem du vor fast einem Jahr nach einem Umschalter gefragt hast, hab ich mir noch mal Gedanken gemacht. Da ich das Thema doch interessant finde, bin ich dabei, was zu basteln.
Damit das Ganze auch extremen Witterungsbedingungen standhält, soll der Umschalter über den Lampenschalter bedient werden. Also alles in den Rucksack o.ä. und nur den PCS als Schnittstelle.
Anders als bei einem simplen Y-Verbinder, sollen die Akkus nicht direkt miteinander verbunden werden. Das Umschalten wird allerdings vorerst nur bei ausgeschalteter Lampe möglich sein.
Die Bauteile sind leider nicht die billigsten. Wenn's interessiert, werde ich hier bald eine genauere Beschreibung geben.
Viele Grüße.
nachdem du vor fast einem Jahr nach einem Umschalter gefragt hast, hab ich mir noch mal Gedanken gemacht. Da ich das Thema doch interessant finde, bin ich dabei, was zu basteln.
Damit das Ganze auch extremen Witterungsbedingungen standhält, soll der Umschalter über den Lampenschalter bedient werden. Also alles in den Rucksack o.ä. und nur den PCS als Schnittstelle.
Anders als bei einem simplen Y-Verbinder, sollen die Akkus nicht direkt miteinander verbunden werden. Das Umschalten wird allerdings vorerst nur bei ausgeschalteter Lampe möglich sein.
Die Bauteile sind leider nicht die billigsten. Wenn's interessiert, werde ich hier bald eine genauere Beschreibung geben.
Viele Grüße.
- vucko
- beleuchtet

- Beiträge: 35
- Registriert: 15.09.2009, 20:33
- (Lampen-)Ausstattung: Telsa X, Piko
- Wohnort: Kiruna
- Kontaktdaten:
Re: Y-Verbinder
das hört sich ja gut an. schick mir bitte eine e-mail, wenn du mehr weißt.
Liebe Grüße, Gerhard
Re: Y-Verbinder
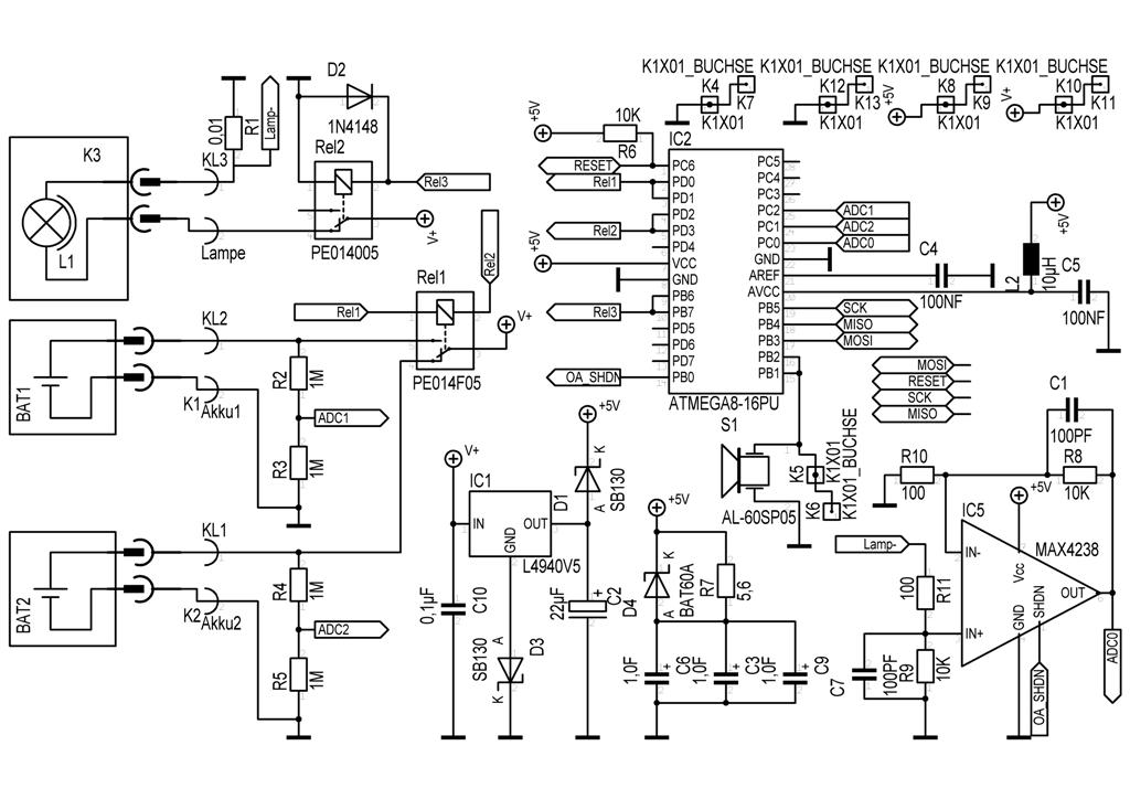
Erster experimenteller Aufbau eines Akku-Umschalters
Re: Y-Verbinder
Zweite experimentelle Version eines Akku-Umschalters
-
Maarten
- beleuchtet

- Beiträge: 139
- Registriert: 24.10.2008, 13:51
- (Lampen-)Ausstattung: TL-1200, Nightmare, Tesla, Wilma 17watt 18deg, Betty 23watt, 1.8Ah, 4.5Ah, 14,5Ah, 2*Charger one, Micro Charger
Rohloff, Hope, Nicolai Argon FR und 3 Leigezelten - Wohnort: Heel, Limburg
Re: Y-Verbinder
helgeb,
Sieht super aus!
Schaltet diese umschalter schon automatisch um wenn der Batterie unter zB. 6.3v kommt? Oder geht's Licht aus, und muss mann dann manuell schalten?
mfG,
Maarten
Sieht super aus!
Schaltet diese umschalter schon automatisch um wenn der Batterie unter zB. 6.3v kommt? Oder geht's Licht aus, und muss mann dann manuell schalten?
mfG,
Maarten
TL-1200, Betty 23W, Wilma 17W/18º, Tesla, Nightmare, 14,5Ah/5,6Ah/1,8Ah, 2*Charger one, Micro Charger
I forgot about 'die Faelle' in German, so I accept only gentle criticism concerning my German grammar...
I forgot about 'die Faelle' in German, so I accept only gentle criticism concerning my German grammar...
Re: Y-Verbinder
Hi Maarten,
Zwar könnte das Gerät bei Erreichen einer bestimmten Spannung automatisch umschalten. Für ein unterbrechungsfreies Umschalten habe ich jedoch noch immer keine praktikable Lösung. Solange Calle, Wolf oder die anderen Wölfe nicht sagen, „plötzliche Versorgung mit zwei, drei Volt mehr ist in Ordnung, unsere Lampen können das…“, wird es schwierig. (Dann wäre noch zu klären, wie es dem leereren Akku gefällt, wenn vom volleren auf ihn umgeschaltet würde.)
Da also beim Umschalten aktuell noch immer die Leuchte von der Spannung getrennt wird, habe ich derzeit keine erzwungene Umschaltung programmiert. (Nur eine äußerst späte, die erst nach dem wilden „WechselDenAkku!“-Blinken der Lampe aktiviert werden würde.) Weil man die Piep-Geräusche des Umschalters im Rucksack auf dem Rad unter der Mütze nicht hört, würde es nicht nur unkontrolliert, sondern auch ohne Vorwarnung dunkel werden. Deshalb habe ich das erstmal verworfen.
Was noch möglich wäre, ist das automatische Umschalten beim manuellen Ausschalten der Lampe, sobald ein Spannungswert unterschritten wurde. Auch darin sehe ich grade noch keinen Mehrwert.
Bis auf Weiteres kann dieses Gerät also praktisch wirklich nur durch Bedienung bei ausgeschalteter Lampe zwischen den Akkus wechseln. Der Befehl dazu erfolgt durch zweimaliges Ausschalten innerhalb von ca. zwei bis drei Sekunden. (So programmiert wohl nur für LED- oder Halogen-Leuchten geeignet) Daraufhin erkennt der Lampenkopf, dass er neu mit einem Akku verbunden wurde. Leuchtet kurz auf, um die Spannung zu messen und kann dann wieder eingeschaltet werden. (Siehe auch das Video. Achtung: langweilig!)
Über weitere Kommentare und Anregungen würde ich mich freuen.
Viele Grüße.
Zwar könnte das Gerät bei Erreichen einer bestimmten Spannung automatisch umschalten. Für ein unterbrechungsfreies Umschalten habe ich jedoch noch immer keine praktikable Lösung. Solange Calle, Wolf oder die anderen Wölfe nicht sagen, „plötzliche Versorgung mit zwei, drei Volt mehr ist in Ordnung, unsere Lampen können das…“, wird es schwierig. (Dann wäre noch zu klären, wie es dem leereren Akku gefällt, wenn vom volleren auf ihn umgeschaltet würde.)
Da also beim Umschalten aktuell noch immer die Leuchte von der Spannung getrennt wird, habe ich derzeit keine erzwungene Umschaltung programmiert. (Nur eine äußerst späte, die erst nach dem wilden „WechselDenAkku!“-Blinken der Lampe aktiviert werden würde.) Weil man die Piep-Geräusche des Umschalters im Rucksack auf dem Rad unter der Mütze nicht hört, würde es nicht nur unkontrolliert, sondern auch ohne Vorwarnung dunkel werden. Deshalb habe ich das erstmal verworfen.
Was noch möglich wäre, ist das automatische Umschalten beim manuellen Ausschalten der Lampe, sobald ein Spannungswert unterschritten wurde. Auch darin sehe ich grade noch keinen Mehrwert.
Bis auf Weiteres kann dieses Gerät also praktisch wirklich nur durch Bedienung bei ausgeschalteter Lampe zwischen den Akkus wechseln. Der Befehl dazu erfolgt durch zweimaliges Ausschalten innerhalb von ca. zwei bis drei Sekunden. (So programmiert wohl nur für LED- oder Halogen-Leuchten geeignet) Daraufhin erkennt der Lampenkopf, dass er neu mit einem Akku verbunden wurde. Leuchtet kurz auf, um die Spannung zu messen und kann dann wieder eingeschaltet werden. (Siehe auch das Video. Achtung: langweilig!)
Über weitere Kommentare und Anregungen würde ich mich freuen.
Viele Grüße.
- pontefix
- erleuchtet

- Beiträge: 705
- Registriert: 20.10.2009, 12:27
- (Lampen-)Ausstattung: Betty, Piko, WTL, Tesla
Re: Y-Verbinder
Diese Lösung finde ich eigentlich sogar als die Beste von deinen genannten. Weil unterwegs kann man quasi jederzeit zwischen den Akkus wechseln ohne im Rucksack zu kramen auch dann z.b. wenn die Lampe auf gelb schalten würde und nicht erst beim Reservetank. Des weiteren kann man die Lampen komplett unabhängig voneinander betreiben und man könnte ja auch so zwischen zwei verschieden großen Akkus wechseln...helgeb hat geschrieben: Bis auf Weiteres kann dieses Gerät also praktisch wirklich nur durch Bedienung bei ausgeschalteter Lampe zwischen den Akkus wechseln. Der Befehl dazu erfolgt durch zweimaliges Ausschalten innerhalb von ca. zwei bis drei Sekunden. (So programmiert wohl nur für LED- oder Halogen-Leuchten geeignet) Daraufhin erkennt der Lampenkopf, dass er neu mit einem Akku verbunden wurde. Leuchtet kurz auf, um die Spannung zu messen und kann dann wieder eingeschaltet werden. (Siehe auch das Video. Achtung: langweilig!)
Schade das ich nur zwei linke Hände habe was Elektronik angeht - insgesamt finde ich es als eine sehr schöne Lösung. Das Video zeigt das es ja schon sehr gut funktioniert.
Schaltet dein Gerät auch ab wenn z.b. jemand anstelle einer Lampe ein Ladegerät dran stecken würde oder was passiert dann?
Der alte Lupine-Forum Leuchtvergleich 2011
Der aktuelle Lupine-Forum Leuchtvergleich 2011
Ein kleines Experiment meinerseits: 2 Lampen? Kontrast? Beste Lichtfarbe?
Der aktuelle Lupine-Forum Leuchtvergleich 2011
Ein kleines Experiment meinerseits: 2 Lampen? Kontrast? Beste Lichtfarbe?
-
Maarten
- beleuchtet

- Beiträge: 139
- Registriert: 24.10.2008, 13:51
- (Lampen-)Ausstattung: TL-1200, Nightmare, Tesla, Wilma 17watt 18deg, Betty 23watt, 1.8Ah, 4.5Ah, 14,5Ah, 2*Charger one, Micro Charger
Rohloff, Hope, Nicolai Argon FR und 3 Leigezelten - Wohnort: Heel, Limburg
Re: Y-Verbinder
Helgeb,
Deine heutige Loesung finde ich ebenso wie Paul die beste Loesung. Mann kann in der tat die Bip's nicht hoeren wenn die Umschalter ins Rucksack ist.
mfG,
Maarten
Deine heutige Loesung finde ich ebenso wie Paul die beste Loesung. Mann kann in der tat die Bip's nicht hoeren wenn die Umschalter ins Rucksack ist.
mfG,
Maarten
TL-1200, Betty 23W, Wilma 17W/18º, Tesla, Nightmare, 14,5Ah/5,6Ah/1,8Ah, 2*Charger one, Micro Charger
I forgot about 'die Faelle' in German, so I accept only gentle criticism concerning my German grammar...
I forgot about 'die Faelle' in German, so I accept only gentle criticism concerning my German grammar...
Re: Y-Verbinder
Wie meinst du das?pontefix hat geschrieben:Des weiteren kann man die Lampen komplett unabhängig voneinander betreiben
Das ist ein schöner Gedanke. Das Gerät würde nicht abschalten. Die Schaltung ist dafür nicht ausgelegt. Die Bauteile sollten das aber theoretisch abkönnen.pontefix hat geschrieben:Schaltet dein Gerät auch ab wenn z.b. jemand anstelle einer Lampe ein Ladegerät dran stecken würde oder was passiert dann?
Um das Anstecken eines Ladegerätes zu erkennen und dann eventuell nach dem Voll-Laden des ersten Akkus automatisch auf den zweiten umzuschalten, bräuchte man unter anderem einen anderen Operationsverstärker.
Ich vermute, dass sich das Ladegerät zunächst nicht weiter an dem Akku-Umschalter stören würde und begonnen werden würde, den aktuell geschalteten Akku zu laden. Allerdings müsste das Ladegerät dabei auch zwangsweise die Stromversorgung der Akku-Umschalter-Elektronik übernehmen. Dies könnte insbesondere dann zu Problemen führen, wenn beispielsweise der ChargerOne zum Ende des Ladevorgangs den Ladestrom stark reduziert. Ich rate also grundsätzlich vom Anschluss eines Ladegerätes ab.
